Schon seit mehreren Jahren haben wir in unserer Wohnung in vier Räumen jeweils zwei 8 Ohm Deckenlautsprecher eingebaut. Damals wurden diese über einen von meinem Vater selbstgebauten 12W Mehrkanal Verstärker angesteuert. Diesen konnte man u.a. über eine 433 MHz Fernbedienung Inputkanäle auswählen oder auch Radiosender wählen. Dieser Verstärker wurde zu Zeiten gebaut wo Arduino oder Raspberry Pi noch kein Begriff waren.
Nun haben die Lautsprecher bestimmt zehn Jahre keinen Mucks mehr gemacht. Da es mir zu schade war diese verstauben zu lassen, wollte ich diese am Wochenende wiederbeleben.
Mir reichte es erstmal nur einen Raum zu beschallen, daher brauchte ich auch nur einen kleinen Stereo-Verstärker. Meine erste Überlegung war es, mit dem damaligen verwendeten TDA1521 IC eine kleine Lochrasterplatine zu bauen, doch da ich mir nicht sicher war wie Störempfindlich am Ende die Schaltung auf einer Lochrasterplatine ist, hab ich diesen Gedanken verworfen.
Das Logitech Soundsystem
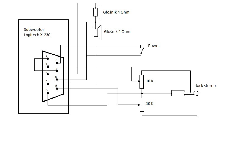
Alternativ hatte ich noch ein altes Logitech System mit einem X-230 Subwoofer in der Ecke stehen. Das schöne ist: Der Subwoofer hat einen 9 Poligen D-Sub Stecker an dem alle wichtigen Eingänge und Ausgänge befinden.
Nach kurzem googlen fand sich auch recht schnell ein passender Schaltplan. Der Unterschied zu dem Schaltplan ist nur, dass bei mir ein Lautsprecher für den linken Kanal zuständig ist und der zweite für den rechten Kanal (somit sind diese nicht als Bridge Amplifier aufgebaut). Wichtig im Schaltplan ist zu beachten, dass der Subwoofer ausgeschaltet ist, wenn der Schalter an Pin 6 geschlossen ist!
Letzdenendes habe ich eine kleine Platine mit drei Anschlüssen gebaut um den Verstärker vom Subwoofer nutzen zu können.
Natürlich gibt es nur ein Problem. Ein Subwoofer filtert den Bass um diesen verstärkt im Subwoofer „abspielen“ zu können, somit klingt der Sound in den Räumen recht flach, aber zum Testen reicht es völlig aus!
Im nächsten Schritt wird der Subwoofer mit einem kleinen Verärker ersetzt.



